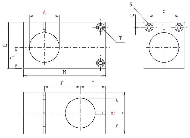
Het RK Rose+Krieger kruisklemstuk K quad® is een hoogwaardige en robuuste buiskoppeling voor het haaks verbinden van ronde buizen binnen industriële constructies. Dit kruisklemstuk maakt deel uit van het quad®-systeem en is vervaardigd uit geëxtrudeerd aluminium, wat zorgt voor een zeer hoge stijfheid en belastbaarheid bij minimale vervorming. Dankzij de hoogwaardige geanodiseerde afwerking is het klemstuk slijtvast en corrosiebestendig, waardoor het geschikt is voor intensief gebruik in veeleisende omgevingen. Het ontwerp is geoptimaliseerd voor maximale klem- en torsiekrachten, waardoor een uiterst stabiele constructie wordt gerealiseerd, ook bij dynamische belasting. Dankzij de constructie is montage eenvoudig en kunnen buizen nauwkeurig worden gepositioneerd. Het K quad® kruisklemstuk is daarmee een ideale oplossing voor machinebouw, werkplekinrichting en industriële systemen waar maximale stabiliteit, precisie en duurzaamheid centraal staan.
Heeft u vragen over dit product? Neem direct vrijblijvend contact op via info@techniekspecialist.nl of bel ons op +31 (0) 88 - 752 70 00. Ons team van specialisten staat klaar om u te helpen bij het maken van de juiste keuze en het beantwoorden van al uw vragen.
Zaagtoeslag
Wanneer u geen handelslengte afneemt wordt er een zaagtoeslag berekend. Deze toeslag wordt in de prijs verwerkt en bedraagt [PRICE] excl. BTW per zaagsnede.