RK Rose+Krieger flensklemstuk FKR quad®

Op voorraad
Artikelnummer
1006844
Vanaf
€ 47,49 € 39,25
Technische tekening

Filter in varianten

De voorraad wordt regelmatig gecheckt. In de laatste stap voordat je je bestelling afrondt, word je geïnformeerd over de bevestigde verzenddatum.
  • 1-3 dagen
  • 4-20 dagen
Gegroepeerde productitems
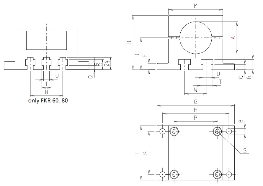
Artikelnummer Modelnummer Type A B C D E G H K L M P Q R T U W Gewicht (kg) Klemhendel S Voorraad- en prijsinformatie
52300003030 FKR 30 30,1 7 30 51 6 84 70 42 56 56 42 4,5 9 10 6 20 0.330000 1025790
24
€ 47,49 € 39,25
52400003030 FKR 40 40,2 7 40 68 8 97 83 54 68 68 54 6,5 13 15 10 28 0.590000 1025791
0
€ 52,49 € 43,38
52500003030 FKR 50 50,3 9 50 85 10 125 105 65 85 85 65 7 14 20 10 30 1.204000 1025794
0
€ 56,18 € 46,43
52600003030 FKR 60 60,3 9 62,5 111 12 145 120 80 105 105 80 7 14 20 10 65 2.456000 1007225
0
€ 127,03 € 104,98
52800003030 FKR 80 80,4 11 80 136 16 170 148 100 126 126 100 8 20 19 12 65 3.876000 1025796
0
€ 174,45 € 144,17
Artikelnummer Modelnummer Type A B C D E G H K L M P Q R T U W Gewicht (kg) Klemhendel S Prijs - Bestellen

Zaagtoeslag
Wanneer u geen handelslengte afneemt wordt er een zaagtoeslag berekend. Deze toeslag wordt in de prijs verwerkt en bedraagt [PRICE] excl. BTW per zaagsnede.

Bekijk winkelwagen